Structurele voordelen en kenmerken
1. Het product is ontworpen en vervaardigd volgens de nationale norm GB 12235, met een redelijke structuur, betrouwbare afdichting, prestaties en mooie vorm.
2. Klepklep, het klepzittingafdichtingsoppervlak van op ijzer gebaseerde aly of satelliet (elie) gemaakt van op kobalt gebaseerd legeringslassen, slijtvast, hoge temperatuur, corrosie, slijtvastheid, lange levensduur.
3. Stengel gedoofd en stikstofbehandeling met goede weerstand tegen corrosie en krasbestendigheid.
4. Kan worden gebruikt met een verscheidenheid aan standaard pijpflenzen en flensafdichtingsoppervlakken om aan verschillende projectbehoeften en gebruikersvereisten te voldoen.
5. Variatie in lichaamsmateriaal, pakking en pakking kunnen gebaseerd zijn op de werkelijke werkomstandigheden of de gebruiker vraagt om een redelijke optie, en kunnen worden toegepast onder allerlei druk-, temperatuur- en mediumomstandigheden.
6. Afgedicht met schroefverbinding, afdichting van de achterbank of het lichaam van roestvrij staal, lassen, afdichten en betrouwbare vervanging van de fling op een non-stop handige en efficiënte manier heeft geen invloed op de werking van het systeem.
Normen en normen
| Ontwerp en fabricage | Structuur lengte | Beoordeling druktemperatuur | Aansluitflens | Test en inspectie |
| GB12235 | GB12221 | GB12224 | JB / T 79/82 ~ 1994 GB9113 HG 20592-20635 | JB/T 9092-1999 GB13927 |
Materiaal hoofdcomponenten
| Naam | Materiaal | ||||||||
| Carrosserie/motorkap | CF8 | CF3 | CF8M | CF3M | WCB | LCB | WC6 | WC9 | C5 |
| Wig | CF8 | CF3 | CF8M | CF3M | WCB | LCB | WC6 | WC9 | C5 |
| Stam | F304 | F304L | F316 | F316L | 2CR13 | F304 | F304 | F304 | F304 |
| Stam Nut | Aluminium Brons | ||||||||
| Verpakking | PTFE/flexibel grafiet | Grafiet | |||||||
| Pakking | PTFE/metaalwikkelmat | Grafiet | |||||||
| Klier | CF8 | CF3 | CF8M | CF3M | WCB | LCB | WC6 | WC9 | C5 |
| Bout | 35CrMoA | ||||||||
| Noot | Roestvrij staal | 45,35CrMoA | |||||||
| Handwiel | Roestvrij staal Cast Steel | ||||||||
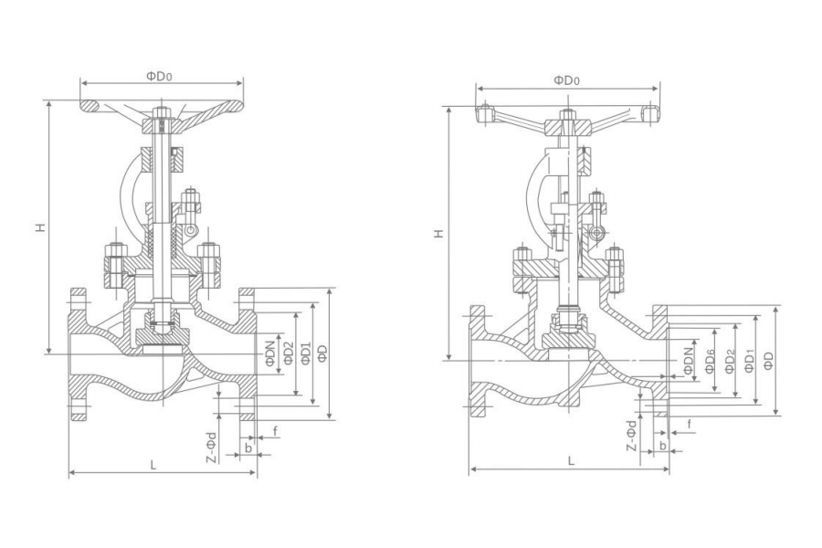
Belangrijkste externe en aansluitafmetingen
| PN(MPa) | DN (mm) | Grootte (mm) | Elektrisch apparaat model | Wanddikte | |||||||||
| L | D | D1 | D2 | D6 | bf | f2 | Z-Φd | H | D0 | ||||
| 1.6 | 10 | 130 | 90 | 60 | 40 | 16-2 | 4-φ14 | 198 | 120 | 6.4 | |||
| 15 | 130 | 95 | 65 | 45 | 16-2 | 4-φ14 | 218 | 120 | 6.4 | ||||
| 20 | 150 | 105 | 75 | 55 | 18-2 | 4-φ14 | 230 | 140 | 6.4 | ||||
| 25 | 160 | 115 | 85 | 65 | 18-2 | 4-φ14 | 240 | 160 | 6.4 | ||||
| 32 | 180 | 140 | 100 | 78 | 18-2 | 4-φ18 | 250 | 180 | 6.4 | ||||
| 40 | 200 | 150 | 110 | 85 | 18-3 | 4-φ18 | 262 | 200 | 6.4 | ||||
| 50 | 230 | 165 | 125 | 100 | 18-3 | 4-φ18 | 280 | 240 | DZW10A | 7.9 | |||
| 65 | 290 | 185 | 145 | 120 | 18-3 | 8-φ18 | 327 | 280 | DZW10A | 11 | |||
| 80 | 310 | 200 | 160 | 135 | 20-3 | 8-φ18 | 355 | 280 | DZW10A | 11.5 | |||
| 100 | 350 | 220 | 180 | 155 | 20-3 | 8-φ18 | 415 | 320 | DZW15A | 12.5 | |||
| 125 | 400 | 250 | 210 | 185 | 22-3 | 8-φ18 | 460 | 360 | DZW20A | 13 | |||
| 150 | 480 | 285 | 240 | 210 | 22-3 | 8-φ22 | 510 | 400 | DZW30A | 13.5 | |||
| 200 | 600 | 340 | 295 | 265 | 24-3 | 12-φ22 | 588 | 400 | DZW45A | 15 | |||
| 250 | 650 | 405 | 355 | 320 | 26-3 | 12-φ26 | 725 | 450 | DZW60A | 16 | |||
| 300 | 750 | 460 | 410 | 375 | 28-4 | 12-φ26 | 925 | 500 | DZW90 | 18 | |||
| 350 | 850 | 520 | 470 | 435 | 30-4 | 16-φ26 | 1030 | 600 | DZW120 | 19 | |||
| 400 | 950 | 580 | 525 | 485 | 32-4 | 16-φ30 | 1170 | 700 | DZW180 | 21 | |||
| 450 | 1050 | 640 | 585 | 545 | 40-4 | 20-φ30 | 1220 | 800 | DZW180 | 21.5 | |||
| 500 | 1150 | 715 | 650 | 608 | 44-4 | 20-φ33 | 1410 | 900 | DZW250 | 22 | |||
| 600 | 1350 | 840 | 770 | 718 | 54-5 | 20-φ36 | 1610 | 1000 | DZW350 | 25 | |||
OVER Changshui
Changshui Technologie Groep Co., Ltd.is a valve integrating R&D, manufacturing, sales and service The manufacturer is currently one of the main suppliers of general-purpose valves in China. The main products are: gate valves, globe valves, butterfly valves, ball valves, check valves, regulating valves, pressure reducing valves, diaphragm valves, plug valves, plunger valves, drains Valves, hydraulic control valves, etc. Producten van hoge kwaliteit zijn geprezen en gerespecteerd door gebruikers in verschillende industrieën en worden veel gebruikt in de bouw, verwarming, watervoorziening, aardolie, chemische industrie, elektriciteit en andere industrieën! Het doel van het bedrijf is om met hoogwaardige producten een bijdrage te leveren aan de maatschappij. 'Ons doel is om gebruikers tevreden te stellen'. Ons kwaliteitsbeleid is: "Voldoen aan de behoeften en verwachtingen van gebruikers op het gebied van productkwaliteit en een sprong voorwaarts maken. Eersteklas kwaliteitsmanagementniveau, eersteklas producten vervaardigen, eersteklas diensten creëren. "CSHUValve Industry heeft Het bedrijf is bereid om samen te werken met nieuwe en oude vrienden, en collega's in de samenleving, en gebruikers in binnen- en buitenland om opnieuw de handen ineen te slaan, en Floor, nieuwe glorie te creëren!
Inleiding tot vlinderklepcomponenten Een vlinderklep is een veelzijdig en veel gebruikt kleptype in diverse industrieën, bekend om zijn compacte...
READ MOREVeelvoorkomende problemen met schuifafsluiters Schuifafsluiters zijn essentiële componenten in diverse industriële en residentiële systemen en b...
READ MORETerugslagkleppen begrijpen Een terugslagklep is een mechanisch apparaat waarmee vloeistof of gas slechts in één richting kan stromen. De primair...
READ MORE1. Overzicht van nodulair gietijzer Nodulair gietijzer, ook wel nodulair gietijzer of sferoïdaal grafietijzer genoemd, is een type gietijzer dat...
READ MORE1. Kleppen en zittingen begrijpen Kleppen en zittingen zijn essentiële componenten bij het regelen van de stroming van vloeistoffen of gassen in...
READ MORE